游客,您好
注册
登陆
退出
登录帮助
用户中心
搜索
康佳电视串号检测
备用网址
关于
加入收藏
家电
电脑
平板
游戏
数据
软件
电玩
东芝
L G
BOE
微鲸
夏普
风行
暴风
麦龙
联通
金正
鼎科
论坛
虹星
三星
厦华
熊猫
联想
同方
韩电
乐视
拓步
CNC
看尚
小米
PPTV
杂牌
中韩
现代
惠科
理想
山水
[
电视机
]
[
影碟机
]
[
音响功放
]
[
冰箱空调
]
[
汽车电路
]
[
家用电器
]
[
电器配件
]
[
刷机教程
]
家电
-
电视机
-
海信
-
显象管型
- 浏览家电
海信TC2539彩电L、H波段无信号检修
发布日期:2013-3-17 8:46:46 作者: 出处: 浏览:
123
人次 【
大
中
小
】
海信TC2539彩电L、H 波段无信号检修
2001年,第4期,类别:彩电维修
该机L、H波段收不到信号,而U波段一切正常。
置自动搜索状态,查该机LB、HB、UB、及TU电压随波段转换变化正常,怀疑高频头有故障,但代换后故障依旧。试用视频信号输入,一切正常,将视频输入、输出端子短接后,L、H波段信号收视正常,说明故障在AV/TV转换电路。
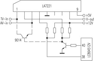
该机为A6机芯,AV/TV信号的转换受CPU(LC864512V)和中放电路(LA7687A)及AV/TV切换电路(LA7221)的共同控制。经过检查CPU及LA7687A的相关引脚电压均正常,最后怀疑故障在LA7221。
与常见的DC4066和4053等AV/TV控制电路不同,LA7221的控制较为复杂(见附图),其转换受CPU{38}和{40}脚的共同控制。根据故障现象,判断是LA7221中{1}脚与{8}脚在L、H波段(其{4}脚为高电平时)连接受阻,从而阻断视频信号的传输。由于该集成电路较少见,难于直接代换,故采用以下应急修理办法暂时代替。
如图所示,在LA7221{1}、{3}脚之间并接一只三极管9014,其b极受CPU{40}脚的控制。CPU{40}脚为低电平时,9014b极为高电平而导通,将{1}、{3}脚连通,视频信号经{1}、{3}脚到{8}脚进入LA7687A,在AV状态时,CPU{40}脚为高电平,9014b极为低电平而截止,视频信号经{3}脚连到{8}脚进入后级电路。经此应急修理后,在正常收看电视时必须将AV输入信号切断,否则AV信号将*扰电视节目。
共有
1
条家电 页次:1/1
分页:
9
1
:
发布人:
-----
【
大
中
小
】·【
推荐好友
】·【
打印
】·【
顶部
】
相关家电
[
平板型
]
·
海信MST628升级方法
2017-01-25
[
显象管型
]
·
海信DP2999彩行
2013-08-18
[
显象管型
]
·
海信TC2107F行管基极电压高
2013-08-18
[
显象管型
]
·
海信电视搬到店里就有伴音,拿回去没有!
2013-08-18
[
显象管型
]
·
海信TC2189A干扰
2013-08-18
相关评论
系统暂时关闭评论功能!
最新家电
长虹液晶电视数据查找...
GBJ25005 GBJ2501 GB...
U盘刷机的准备U盘和基...
AOZ1037的引脚功能
AOZ3015AI的引脚功能
刷你的数据灯都不亮了...
热门家电
AOZ3015AI的引脚功能
TCL超级芯片8859CSNG...
海信变频压缩机UVW三...
JT1199,CH341编程...
松下NN-K652电脑...
松下电饭煲显示U15
推荐家电
文章搜索
关键字:
网站声明
|
网站留言
|
友情链接
|
与我在线
Copyright ?
数据之家
All Rights Reserved.2002-2099
邮:2843417081@qq.com