游客,您好
注册
登陆
退出
登录帮助
用户中心
搜索
康佳电视串号检测
备用网址
关于
加入收藏
家电
电脑
平板
游戏
数据
软件
电玩
东芝
L G
BOE
微鲸
夏普
风行
暴风
麦龙
联通
金正
鼎科
论坛
虹星
三星
厦华
熊猫
联想
同方
韩电
乐视
拓步
CNC
看尚
小米
PPTV
杂牌
中韩
现代
惠科
理想
山水
[
电视机
]
[
影碟机
]
[
音响功放
]
[
冰箱空调
]
[
汽车电路
]
[
家用电器
]
[
电器配件
]
[
刷机教程
]
家电
-
电视机
-
国外
-
松下
- 浏览家电
松下TC-29GF12G彩电偏色故障应修理
发布日期:2013-3-22 9:20:08 作者: 出处: 浏览:
182
人次 【
大
中
小
】
松下TC-29GF12G彩电偏色故障应急修理
2003年,第11期,类别:彩电维修
开机图声正常,约二十分钟后画面偏绿色(有时红色偏弱,有时蓝色偏弱)且不稳定,但字符颜色正常。
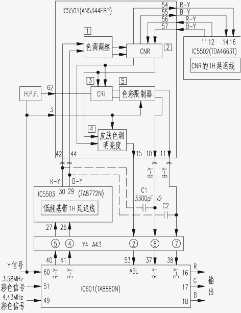
该机属松下M17机心。如附图所示,PAL彩色信号由解码块IC601{49}脚输入,NTSC彩色信号由{51}脚输入,在IC601内部进行PAL/NTSC识别解调,解出的色差信号R-Y由IC601{40}脚输出,B-Y由{41}脚输出,然后分别进入低频基带1H延迟线IC5503{27}、{26}脚,经处理后由{30}、{29}脚输出,进入IC5501{42}、{44}脚,对色差信号R-Y、B-Y进行彩色图像质量处理后从{10}、{11}脚输出至IC601{37}、{38}脚,通过IC601内部的矩阵电路后得到三基色R、G、B信号。
根据故障现象和以往维修进口大屏幕彩电的经验,初判故障在彩色解码电路。测IC601{16}脚电压在1.7V~2.2V之间变化,{17}脚电压为3V正常,{18}脚电压在1.8V~2.3V之间变化,而{37}、{38}脚电压分别为4.2V、4.3V基本正常,查IC601外围元件无异常,怀疑IC601损坏。但更换后故障依旧,查IC5503外围元件无异常,怀疑IC5501损坏。考虑到IC5501只是对色差信号进行图像质量改进,输入IC5501的信号为R-Y、B-Y,经过IC5501处理后,依然为R-Y、B-Y,故决定甩开IC5501不用,将输入到IC5501的色差信号切断,用3300pF电容将IC5503{30}脚输出的R-Y信号直接输入IC601{37}脚,将IC5503{29}脚的B-Y信号直接输入IC601{38}脚,如图中虚线部分。将打“×”处断开,长期试机,图像彩色正常。由此判断,此故障为IC5501损坏所致。IC5501为松下公司生产的专用于改善彩色图像质量的大规模集成电路,市场上无该型号的集成电路出售,待购到后再换上。
共有
1
条家电 页次:1/1
分页:
9
1
:
发布人:
-----
【
大
中
小
】·【
推荐好友
】·【
打印
】·【
顶部
】
相关家电
[
显象管型
]
·
松下2188。2185
2013-08-18
[
显象管型
]
·
松下29;开机30分钟后有伴音
2013-08-18
[
显象管型
]
·
松下TC-2966RS(MX-4)机芯缺红色
2013-08-18
[
显象管型
]
·
教松下TC/TC2566RS
2013-08-18
[
显象管型
]
·
松下中放AN5179中周
2013-08-18
相关评论
系统暂时关闭评论功能!
最新家电
长虹液晶电视数据查找...
GBJ25005 GBJ2501 GB...
U盘刷机的准备U盘和基...
AOZ1037的引脚功能
AOZ3015AI的引脚功能
刷你的数据灯都不亮了...
热门家电
AOZ3015AI的引脚功能
TCL超级芯片8859CSNG...
海信变频压缩机UVW三...
JT1199,CH341编程...
松下NN-K652电脑...
松下电饭煲显示U15
推荐家电
文章搜索
关键字:
网站声明
|
网站留言
|
友情链接
|
与我在线
Copyright ?
数据之家
All Rights Reserved.2002-2099
邮:2843417081@qq.com