游客,您好
注册
登陆
退出
登录帮助
用户中心
搜索
康佳电视串号检测
备用网址
关于
加入收藏
家电
电脑
平板
游戏
数据
软件
电玩
东芝
L G
BOE
微鲸
夏普
风行
暴风
麦龙
联通
金正
鼎科
论坛
虹星
三星
厦华
熊猫
联想
同方
韩电
乐视
拓步
CNC
看尚
小米
PPTV
杂牌
中韩
现代
惠科
理想
山水
[
电视机
]
[
影碟机
]
[
音响功放
]
[
冰箱空调
]
[
汽车电路
]
[
家用电器
]
[
电器配件
]
[
刷机教程
]
家电
-
电视机
-
国外
-
松下
- 浏览家电
松下TC-33GF85R彩电光栅暗检修
发布日期:2013-3-22 9:25:05 作者: 出处: 浏览:
186
人次 【
大
中
小
】
松下TC-33GF85R彩电光栅暗检修
2002年,第23期,类别:彩电维修
该机光栅很暗,仅画面较亮的部分有影子,且闪烁、左右摆动并有拉丝现象,开关变压器发出轻微、有节奏的“吱、吱”声。
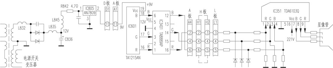
根据光栅很暗的现象,首先检测三路视频输出放大集成块IC351及外围电路,见附图。测量IC351{1}、{2}、{3}脚视频信号输入端电压均为1.8V,{5}脚(同相输入端)、{6}脚(视放级221V电源电压端)电压也正常,但其{7}、{8}、{9}脚(B、G、R输出端)电压均为205V左右正常值为150V左右),可见是由于{7}、{8}、{9}脚电压偏高而造成光栅暗。查IC351外围元件无损坏,测IC351各脚对地正、反向电阻值基本正常,估计IC351并未损坏,IC351未处于正常的放大工作状态,而是处于截止状态。
顺着B、G、R输入信号向前检查,IC3401{12}、{14}、{16}脚电压分别为1.9V、2.0V、1.8V,正常时为3.6V、3.5V、3.6V;{6}、{3}、{1}脚电压分别为1.7V、1.7V、1.6V,正常值为3.5V、3.4V、3.5V;而{5}脚的供电电压12V正常。再查IC601{19}、{36}、{50}、{59}等电源输入脚的供电电压,均为7.6V左右,而正常时应为稳压9V供电。顺着电路板向D板检查,发现D板上的三端稳压块IC805{3}脚输出电压为7.6V,{1}脚输入电压也只有8V,但C836两端电压为正常的12V,说明R842压降过大。拆下R842检查,R842已由4.7Ω变值为14Ω左右。用4.7Ω/5W的电阻更换后,故障消失。
由于R842阻值增大,使IC601的供电电压由正常的9V下降为7.6V左右,而IC601兼有视频处理、多制式色度解码、行场同步分离、扫描振荡、激励等功能,从而引起R、G、B视频信号输出变小,造成R、G、B放大电路的偏置改变,显像管三阴极所加的信号电压变高,电子束基本截止,所以光栅变暗。同时行场振荡也不正常,所以看到暗光影闪烁、左右摆动且有拉丝的现象,行振荡频率不正常而引起开关变压器发出“吱吱”声。
共有
1
条家电 页次:1/1
分页:
9
1
:
发布人:
-----
【
大
中
小
】·【
推荐好友
】·【
打印
】·【
顶部
】
相关家电
[
显象管型
]
·
松下2188。2185
2013-08-18
[
显象管型
]
·
松下29;开机30分钟后有伴音
2013-08-18
[
显象管型
]
·
松下TC-2966RS(MX-4)机芯缺红色
2013-08-18
[
显象管型
]
·
教松下TC/TC2566RS
2013-08-18
[
显象管型
]
·
松下中放AN5179中周
2013-08-18
相关评论
系统暂时关闭评论功能!
最新家电
长虹液晶电视数据查找...
GBJ25005 GBJ2501 GB...
U盘刷机的准备U盘和基...
AOZ1037的引脚功能
AOZ3015AI的引脚功能
刷你的数据灯都不亮了...
热门家电
AOZ3015AI的引脚功能
TCL超级芯片8859CSNG...
海信变频压缩机UVW三...
JT1199,CH341编程...
松下NN-K652电脑...
松下电饭煲显示U15
推荐家电
文章搜索
关键字:
网站声明
|
网站留言
|
友情链接
|
与我在线
Copyright ?
数据之家
All Rights Reserved.2002-2099
邮:2843417081@qq.com