游客,您好
注册 登陆 退出 登录帮助 用户中心 搜索 康佳电视串号检测 备用网址 关于 加入收藏
家电 电脑 平板 游戏 数据 软件 电玩 东芝 L G BOE 微鲸 夏普 风行 暴风 麦龙 联通 金正 鼎科 论坛
虹星 三星 厦华 熊猫 联想 同方 韩电 乐视 拓步 CNC 看尚 小米 PPTV 杂牌 中韩 现代 惠科 理想 山水
[电视机] [影碟机] [音响功放] [冰箱空调] [汽车电路] [家用电器] [电器配件] [刷机教程]                    
家电 - 电视机 - 国外 - 松下 - 浏览家电
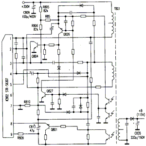
松下2188S彩电冷机很难启动,但热机过程中开机和关机都正常,但关机两小时左右后再开机,故障重现,且电源指示灯和屏幕都闪烁一下,随之熄灭,屏幕上留下三个色点
发布日期:2013-3-22 9:25:11 作者: 出处: 浏览:187 人次 【

分析行扫描电路中某元件不良;+B电压过高;保护电路有元件不良误动作;开关电源中某元件不良或开关电源厚膜块IC802不良。围绕上述思路检查,先断开+B电压,接上100W灯泡作假负载,监测+B电压,开机时灯泡闪亮一下,+B电压由115V慢慢下降为0V,证明故障在开关电源。接通电源,测+B电压为0V,IC8021脚为300V,其他脚都为0V,很显然开关电源未起振。怀疑IC802性能不良,试换IC802故障仍旧。细查附图所示的IC802外围元件,特别是电解电容,发现C813周围潮湿,将C813焊下检测有电解液溢出,更换C813后故障排除。

共有1条家电 页次:1/1 分页: 9 1 :
发布人:----- 】·【推荐好友】·【打印】·【顶部
相关家电
[液晶数据查找说明] ·长虹液晶电视数据查找说明2019-07-21
[G头] ·GBJ25005 GBJ2501 GBJ2502 GBJ2504 GBJ2506 GBJ250...2017-08-28
[刷机教程] ·U盘刷机的准备U盘和基本知识及风险2017-08-02
[A头] ·AOZ1037的引脚功能2017-07-07
[A头] ·AOZ3015AI的引脚功能2017-07-07
相关评论
   系统暂时关闭评论功能!
最新家电
 长虹液晶电视数据查找...
 GBJ25005 GBJ2501 GB...
 U盘刷机的准备U盘和基...
 AOZ1037的引脚功能
 AOZ3015AI的引脚功能
 刷你的数据灯都不亮了...
热门家电
 AOZ3015AI的引脚功能
 TCL超级芯片8859CSNG...
 海信变频压缩机UVW三...
 JT1199,CH341编程...
 松下NN-K652电脑...
 松下电饭煲显示U15
推荐家电
文章搜索
关键字:
网站声明 | 网站留言 | 友情链接 | 与我在线
Copyright ? 数据之家 All Rights Reserved.2002-2099
邮:2843417081@qq.com