游客,您好
注册 登陆 退出 登录帮助 用户中心 搜索 康佳电视串号检测 备用网址 关于 加入收藏
家电 电脑 平板 游戏 数据 软件 电玩 东芝 L G BOE 微鲸 夏普 风行 暴风 麦龙 联通 金正 鼎科 论坛
虹星 三星 厦华 熊猫 联想 同方 韩电 乐视 拓步 CNC 看尚 小米 PPTV 杂牌 中韩 现代 惠科 理想 山水
[电视机] [影碟机] [音响功放] [冰箱空调] [汽车电路] [家用电器] [电器配件] [刷机教程]                    
家电 - 电视机 - TCL - 显象管型 - 浏览家电
TCL的CPUM16V2用LC863328A代换为何不成功
发布日期:2013-3-6 18:45:33 作者: 出处: 浏览:155 人次 【

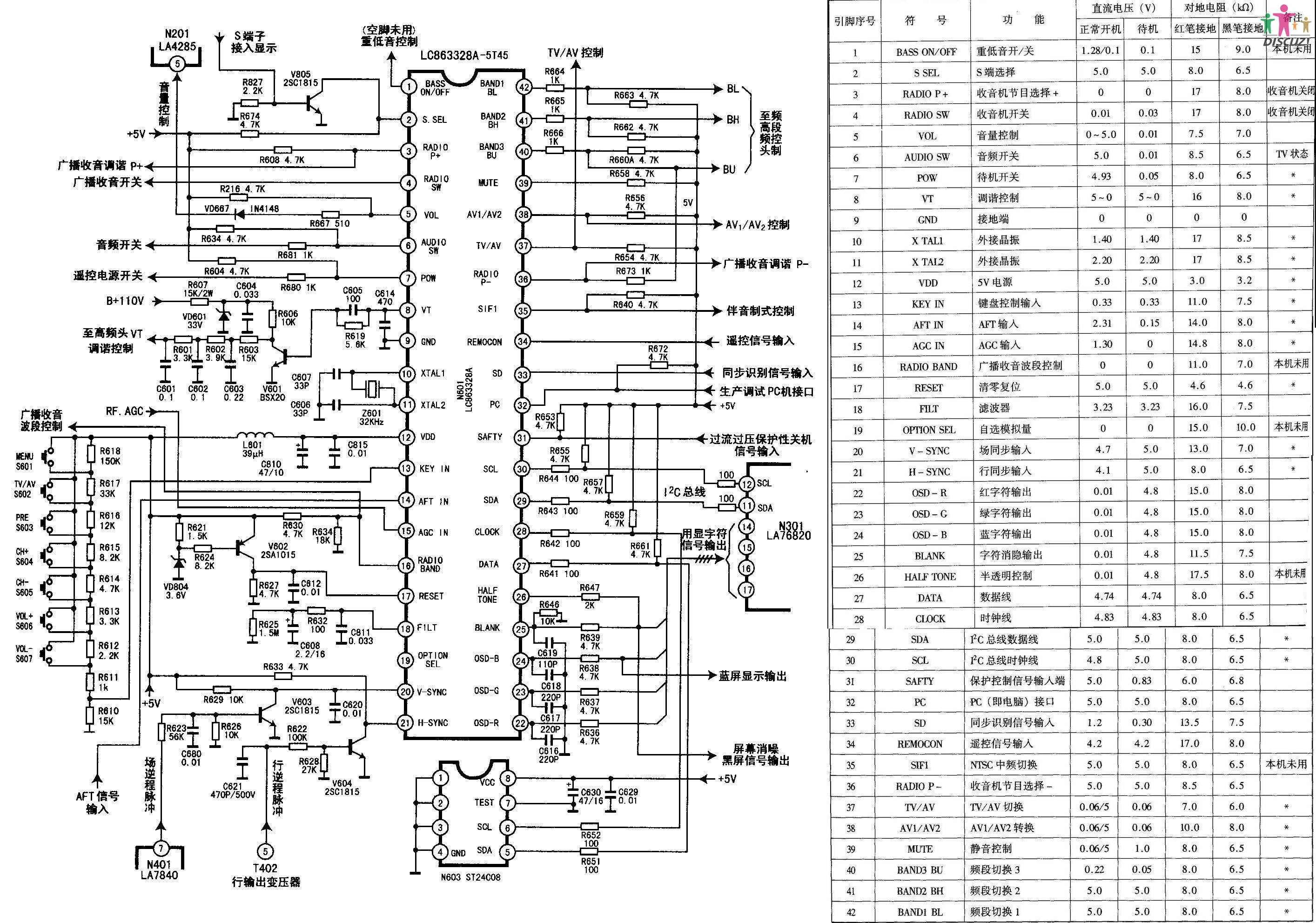
今天我接修一台TCL2113E,是雷击损坏,把电源修好后,发现CPU也坏了,型号是TCLM16V2S,经对比发现该CPU和LC863328A的引脚功能完全相同,外接元件也是基本一样,代换后把存储器也一并换了,开机行启动了,我心中大喜,但是马上又没了,总线电压 也不正常了,我一时再也相不出是什么时候原因.后面附上两分图纸.请同志们来讨论. LC863328A.jpg (887.34 KB) LC863328A.jpg 2113EI (296.71 KB)
---------------------------------
LC863328A的后缀是什么?.
---------------------------------
如果你能代换成功,就太厉害了.M16V2是厂家的掩膜芯片,这个块子,已经停产,市售件,绝大部分是翻新块
---------------------------------
M16V2S我有原字全新的,0572-5057508、QQ:283782848 TCL-M16V2.JPG (23.35 KB) TCL-M16V2.JPG
---------------------------------
我见过资料说可以代换.但是开机脚电平不同.一个是高电平.一个是低电平.我没换过,你试一下人为控制开机脚的电平.
---------------------------------
修好回一下啊.能代换成功你的功劳就大了.很多朋友都会感谢你的
---------------------------------
我也试过,不装数据可行起动,上了数据据就不能开机了,最好用原厂的IC,修机省时又省力。
---------------------------------
见过资料说可以代换.但是开机脚电平不同.一个是高电平.一个是低电平.我没换过,你试一下人为控制开机脚的电平.
共有1条家电 页次:1/1 分页: 9 1 :
发布人:----- 】·【推荐好友】·【打印】·【顶部
相关家电
[液晶数据查找说明] ·长虹液晶电视数据查找说明2019-07-21
[G头] ·GBJ25005 GBJ2501 GBJ2502 GBJ2504 GBJ2506 GBJ250...2017-08-28
[刷机教程] ·U盘刷机的准备U盘和基本知识及风险2017-08-02
[A头] ·AOZ1037的引脚功能2017-07-07
[A头] ·AOZ3015AI的引脚功能2017-07-07
相关评论
   系统暂时关闭评论功能!
最新家电
 长虹液晶电视数据查找...
 GBJ25005 GBJ2501 GB...
 U盘刷机的准备U盘和基...
 AOZ1037的引脚功能
 AOZ3015AI的引脚功能
 刷你的数据灯都不亮了...
热门家电
 AOZ3015AI的引脚功能
 TCL超级芯片8859CSNG...
 海信变频压缩机UVW三...
 JT1199,CH341编程...
 松下NN-K652电脑...
 松下电饭煲显示U15
推荐家电
文章搜索
关键字:
网站声明 | 网站留言 | 友情链接 | 与我在线
Copyright ? 数据之家 All Rights Reserved.2002-2099
邮:2843417081@qq.com