游客,您好
注册 登陆 退出 登录帮助 用户中心 搜索 康佳电视串号检测 备用网址 关于 加入收藏
家电 电脑 平板 游戏 数据 软件 电玩 东芝 L G BOE 微鲸 夏普 风行 暴风 麦龙 联通 金正 鼎科 论坛
虹星 三星 厦华 熊猫 联想 同方 韩电 乐视 拓步 CNC 看尚 小米 PPTV 杂牌 中韩 现代 惠科 理想 山水
[电视机] [影碟机] [音响功放] [冰箱空调] [汽车电路] [家用电器] [电器配件] [刷机教程]                    
家电 - 电器配件 - 集成电路 - I头 - 浏览家电
ISL6539--双PWM控制器
发布日期:2013-1-4 10:56:34 作者: 出处: 浏览:2420 人次 【

ISL6539 双PWM控制器
一、概述
具有DDR选择的宽输入范围双PWM控制器ISL6539双PWM控制器,从两个电压调节同步型DC/DC转换器传送高效和精确调整率,它特地设计为DDR DRAM,SDRAM,图形芯片的应用,和在高性能应用中的系统调节器。
电压前馈斜波调制,电流模式控制,和内部反馈补偿提供快速响应到输入电压和输出负载瞬时变化,通过通道到通道PWM0°, 90°, or 180° 相移使输入电流纹波最小化(通过输入电压和DDR脚位状态决定)。
ISL6539能控制2个独立的可从0.9V到5.5V可调输出电压,通过激活DDR脚,转换成一个完整的DDR存储器供电方案。在DDR模式,CH2通道输出电压VTT跟踪CH1通道输出电压VDDQ,CH2能输出源电流和反向电流,一个基本的DDR存储供电特性。基准电压VREF要求最好通过DDR存储器产生。
在双电源供电应用中,ISL6539监视CH1和CH2两个输出电压。一个PGOOD(电源良好)信号在软起动顺序完成后给各通道宣布,输出电压是在PGOOD窗口内。在DDR模式,CH1只产生PGOOD信号。
 
二、特点
1、供给调节输出电压范围为:0.9V~5.5V之间
2、提供双方DDR-1与DDR-2存储器
3、极好的外部动态响应时电压与电流模式控制,外接LC环路滤波选择
4、双重运转提供电压范围5.0—15
5、输入系统电压3.3V/5V
 
三、引脚功能
ISL6539
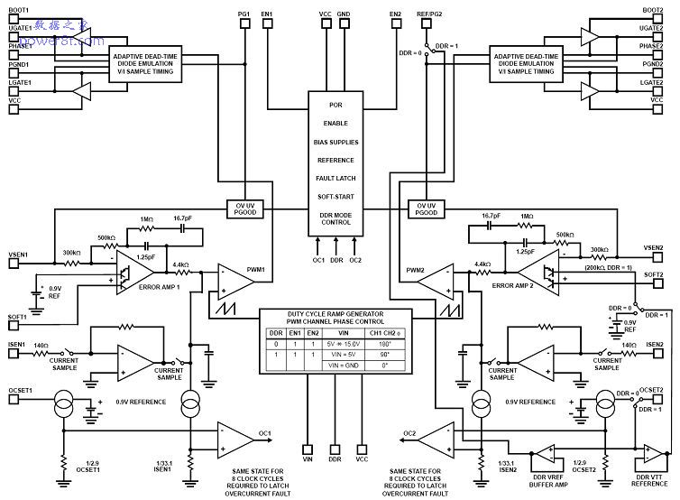
四、IC内部框图
ISL6539 双PWM控制器
共有1条家电 页次:1/1 分页: 9 1 :
发布人:----- 】·【推荐好友】·【打印】·【顶部
相关家电
[I头] ·ISL6539--双PWM控制器 2013-01-04
相关评论
   系统暂时关闭评论功能!
最新家电
 长虹液晶电视数据查找...
 GBJ25005 GBJ2501 GB...
 U盘刷机的准备U盘和基...
 AOZ1037的引脚功能
 AOZ3015AI的引脚功能
 刷你的数据灯都不亮了...
热门家电
 AOZ3015AI的引脚功能
 TCL超级芯片8859CSNG...
 海信变频压缩机UVW三...
 JT1199,CH341编程...
 松下NN-K652电脑...
 松下电饭煲显示U15
推荐家电
文章搜索
关键字:
网站声明 | 网站留言 | 友情链接 | 与我在线
Copyright ? 数据之家 All Rights Reserved.2002-2099
邮:2843417081@qq.com