游客,您好
注册 登陆 退出 登录帮助 用户中心 搜索 康佳电视串号检测 备用网址 关于 加入收藏
家电 电脑 平板 游戏 数据 软件 电玩 东芝 L G BOE 微鲸 夏普 风行 暴风 麦龙 联通 金正 鼎科 论坛
虹星 三星 厦华 熊猫 联想 同方 韩电 乐视 拓步 CNC 看尚 小米 PPTV 杂牌 中韩 现代 惠科 理想 山水
[电视机] [影碟机] [音响功放] [冰箱空调] [汽车电路] [家用电器] [电器配件] [刷机教程]                    
家电 - 电视机 - TCL - 显象管型 - 浏览家电
TCL-9329Z型彩电维修实例
发布日期:2013-3-7 13:14:29 作者: 出处: 浏览:128 人次 【

TCL-9329Z型彩电维修实例
2002年,第47期,类别:彩电维修

  TCL-9329Z型彩电(同机心彩电有TCL-9325、9425、9525、9525Z、9329SP、9329Z、9529、9529Z、9529H等)是国产早期销售量较大的大屏幕彩电,目前已到了故障多发期。以下是此类机型的维修实例,供参考。
 [例1]开机呈三无,机内有“吱吱”声。
  测主电源+B端电压不足10V,先断开行负载接入假负载,测+B为143V,正常且稳定,重点查行输出电路。拆下行输出管Q402检查,其c-b、e-b结均短路。在路查行逆程电容、阻尼二极管及其他负载,未见明显的短路现象,更换行输出管后通电,发现行幅不足,屏幕左、右侧各有约2cm宽的黑屏,亮度也不正常。因为行幅不足,怀疑高压过高,而高压过高常由逆程电容容量减小引起,所以先查逆程电容。拆下C414(0.01μF/1.6kV)、C430(3300pF/1.6kV)查之,发现C414有裂缝,已丧失容量,C430的容量也明显小于标称值。用同型号电容更换后通电,行幅稍不足,且有轻微的枕形失真。调节电位器VR402、VR403,枕形失真消除。将C430的容量增大为5100pF,行幅正常。可见,原行输出管的击穿是由于行逆程电容容量大大减小,使高压过高而产生的。
 [例2]有时出现逃台现象,有时正常,故障无规律性。
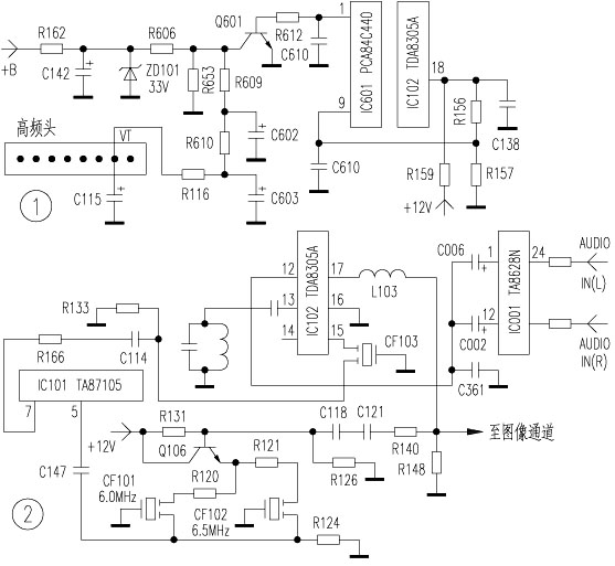
  故障出现时若转换频道,原存储的节目不变,刚转换时声图正常,然后慢慢变差(失谐)。据故障时有时无的表现,似乎是虚焊引起。将有关电路的元件引脚焊点重焊,故障不变,说明不是虚焊问题。故障出现时测得加于高频头的调谐电压VT不稳,说明逃台由VT不稳产生。检测图1所示相关元件,发现CPUIC601{1}脚输出到Q601 b极的调谐控制电压也不稳。因为除逃台外,其他控制功能均正常,CPU工作应基本正常;根据逃台是慢慢发生的现象分析,AFT电压不正常的可能性最大。该机由中放块IC102{18}脚输出频率误差电压,经R156送至IC601{9}脚,通过IC601内部处理后,从{1}脚输出调谐控制电压。逃台时,测得IC102{18}脚电压为0V(正常值为5V左右),查该脚的外围元件R159、C138均正常,因此,怀疑IC102不良。用同型号的TDA8305A更换后,故障排除。
 [例3]接收电视节目数分钟后噪声增大,伴音逐渐减小以至几乎消失,但图像正常。
  分析此故障是由于伴音通道元件或集成电路热稳定性变差而产生。输入AV信号正常,说明TV/AV转换集成电路IC001(TA8628N)及其后面的电路正常,故障在IC001之前。应该从IC001的电视伴音输入电路({1}、{12}脚,如图2所示)起依序往前查。该机图像与伴音中放由IC102担任。检波后的视频信号由IC102{17}脚输出后分两路:一路去图像通道;另一路去伴音通道,这一路信号经R140、C121、C118和R126组成的高通滤波器到Q106 b极,再从其e极输出,经陶瓷滤波器CF102(6.5MHz)或CF101(6.0MHz),选出第二伴音中频经C147输入IC101 {5}脚,经IC101放大等处理后从{7}脚输出到IC102{15}脚,经鉴频后从IC102{12}脚输出音频信号。此音频信号分两路通过C002、C006进入IC001。上述电路中的分立元件较多,考虑到故障是在开机工作几分钟受热后才产生,分析有源元件不良的可能性较大。这些元件中有源元件为Q106,开机后用电吹风对Q106吹热风,证明Q106热稳定性能变差。更换Q106(2SC1815)后试机,故障排除。

共有1条家电 页次:1/1 分页: 9 1 :
发布人:----- 】·【推荐好友】·【打印】·【顶部
相关家电
[显象管型] ·TCL-9329Z型彩电维修实例 2013-03-07
相关评论
   系统暂时关闭评论功能!
最新家电
 长虹液晶电视数据查找...
 GBJ25005 GBJ2501 GB...
 U盘刷机的准备U盘和基...
 AOZ1037的引脚功能
 AOZ3015AI的引脚功能
 刷你的数据灯都不亮了...
热门家电
 AOZ3015AI的引脚功能
 TCL超级芯片8859CSNG...
 海信变频压缩机UVW三...
 JT1199,CH341编程...
 松下NN-K652电脑...
 松下电饭煲显示U15
推荐家电
文章搜索
关键字:
网站声明 | 网站留言 | 友情链接 | 与我在线
Copyright ? 数据之家 All Rights Reserved.2002-2099
邮:2843417081@qq.com