游客,您好
注册 登陆 退出 登录帮助 用户中心 搜索 康佳电视串号检测 备用网址 关于 加入收藏
家电 电脑 平板 游戏 数据 软件 电玩 东芝 L G BOE 微鲸 夏普 风行 暴风 麦龙 联通 金正 鼎科 论坛
虹星 三星 厦华 熊猫 联想 同方 韩电 乐视 拓步 CNC 看尚 小米 PPTV 杂牌 中韩 现代 惠科 理想 山水
[电视机] [影碟机] [音响功放] [冰箱空调] [汽车电路] [家用电器] [电器配件] [刷机教程]                    
家电 - 电视机 - 长虹 - 显象管型 - 浏览家电
长虹P2119彩电无彩色故障检修
发布日期:2013-3-12 12:15:16 作者: 出处: 浏览:91 人次 【

长虹P2119彩电无彩色故障检修
2003年,第10期,类别:彩电维修

  一台长虹P2119彩电出现无彩色故障,而黑白图像清晰。
  测CD7698{12}脚直流电压为7.5V,{7}脚为1.5V,说明该机处于自动消色状态。引起自动消色的原因有:(1)色同步信号未被分离出;(2)色副载波停振或振荡过弱;(3)色副载波振荡频偏;(4)CD7698 {16}、{18}脚外部元件或内部色鉴相器电路损坏;(5)CD7698内消色电路损坏。
  要判断上述原因(1),只需测量有无信号时CD7698{16}、{18}脚电压值即可确定。正常机无信号时{16}、{18}脚直流电压为9.0V,有信号时变为8.5V,只要有0.5V的变化,就说明色同步信号已被分离出。
  按上述方法检查,判断色同步信号已被分离出。这样就可排除CD7698与选通脉冲有关的{36}、{38}脚,及其外接元件和{5}脚色信号输入电路。
  下一步是判断色副载波振荡电路的好坏。
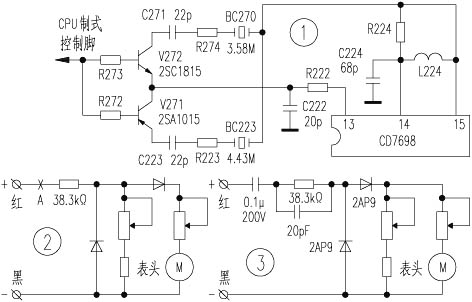
  与色副载波振荡电路有关的引脚为{13}、{14}、{15}脚,相关电路见图1。因正常机CD7698{13}脚的色副载波振荡频率为4.43MHz,而普通万用表交流挡仅能测45~1000Hz的交流信号,故笔者将MF47型指针表交流10V挡作如下改装后来检查色副载波信号:
  首先打开万用表后盖,绘出交流10V挡等效电路如图2。先从A点处切断线路,在断点两端焊接一只0.1μF/200V电容,再在38.3kΩ电阻两端并一只20pF电容,见图3。笔者曾在多台正常机上用改装后的交流10V挡测{13}脚交流电压为3V左右,而测该故障机{13}脚交流电压仅为0.8V,故判断色副载波振荡太弱。
  测{13}、{14}、{15}脚直流电压分别为10.2V、3.5V、3.5V,基本正常。*作遥控器制式键,使电视机处于PAL制时,测图1中V271 b极电压为8.5V,e极为9.2V,c极为9.2V,判断制式控制电路正常,重点查图1所示元件。当代换C224时,{13}脚交流电压升至4V,电视机出现正常彩色。此时复测{13}脚直流电压降至9.7V。

共有1条家电 页次:1/1 分页: 9 1 :
发布人:----- 】·【推荐好友】·【打印】·【顶部
相关家电
[显象管型] ·长虹P2119彩电无彩色故障检修 2013-03-12
相关评论
   系统暂时关闭评论功能!
最新家电
 长虹液晶电视数据查找...
 GBJ25005 GBJ2501 GB...
 U盘刷机的准备U盘和基...
 AOZ1037的引脚功能
 AOZ3015AI的引脚功能
 刷你的数据灯都不亮了...
热门家电
 AOZ3015AI的引脚功能
 TCL超级芯片8859CSNG...
 海信变频压缩机UVW三...
 JT1199,CH341编程...
 松下NN-K652电脑...
 松下电饭煲显示U15
推荐家电
文章搜索
关键字:
网站声明 | 网站留言 | 友情链接 | 与我在线
Copyright ? 数据之家 All Rights Reserved.2002-2099
邮:2843417081@qq.com