游客,您好
注册 登陆 退出 登录帮助 用户中心 搜索 康佳电视串号检测 备用网址 关于 加入收藏
家电 电脑 平板 游戏 数据 软件 电玩 东芝 L G BOE 微鲸 夏普 风行 暴风 麦龙 联通 金正 鼎科 论坛
虹星 三星 厦华 熊猫 联想 同方 韩电 乐视 拓步 CNC 看尚 小米 PPTV 杂牌 中韩 现代 惠科 理想 山水
[电视机] [影碟机] [音响功放] [冰箱空调] [汽车电路] [家用电器] [电器配件] [刷机教程]                    
家电 - 电视机 - 长虹 - 显象管型 - 浏览家电
长虹25N18彩电雷击后三无
发布日期:2013-3-12 12:25:27 作者: 出处: 浏览:162 人次 【

一台长虹25N18彩电(采用汤姆逊公司生产的TEA2261为 控制电路的开关电源)遭雷击后不能收看。开盖,查出保险管F801、集成块N801(TEA2261)、开关管Q801、稳压管D812、D806等元件已坏。更换后,断开行输出电路,在+B端接上100W灯泡作为开关电源负载,通电试机,开关电源不启动。

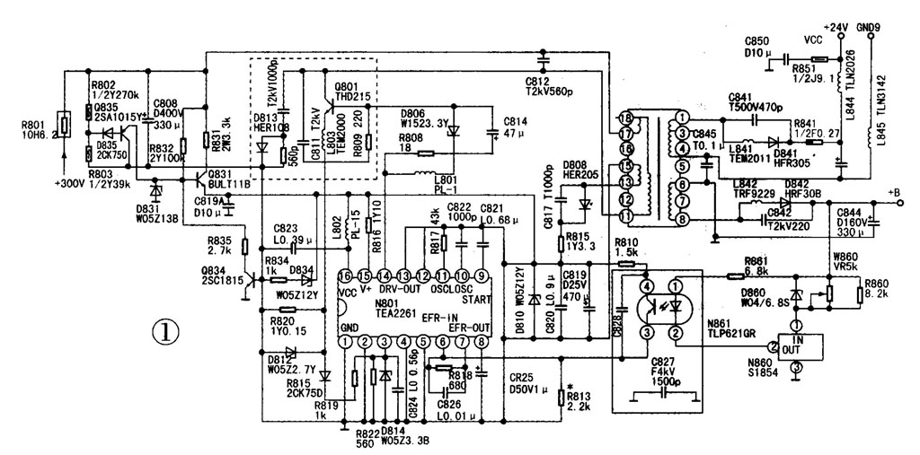
集成电路TEA2261是该机开关电源的核心部件,如图1所示。开关电源不启动,首当查之。故测量TEA2261各脚电位,均不正常,尤其16脚电源端,电压应为12V,实测8~9V;14脚为输出端,控制开关管Q801基极,电位仅0.1V。显然,TEA2261无信号输出,使开关管不能触发,以致开关电源不启动。

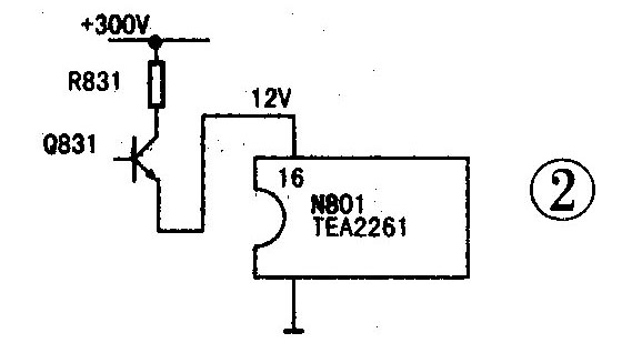
从测量数据看,TEA2261无信号输出是因其电源电压不够引起,原因一是集成块TEA2261内部不良;二是TEA2261供电电路故障。先换一块TEA2261试机,效果同样,开关电源仍不启动。后查供电电路三极管Q831、电阻R831等元件,发现电阻R831阻值误差甚大,图纸注明 2W3.3k,实测是64kΩ,故认为电阻R831阻值变大引起TEA2261供电不足,就将R831改为2W3.3kΩ。通电试机,量N801的16脚电位,已达12V,但手摸电阻R831、三极管Q831温度较高,已烫手,就立即关机。

 

至此,检修陷入困境,电阻R831的数值究竟何为正确?

 

为求答案,只有计算。电阻R831在电路的接法如图2所示,电源接在整流桥输出的+300V上,通过三极管Q831自动稳压输出12V,供给N801电源,其压降几乎落在电阻R831上,忽略Q831的压降,R831的压降是300-12=288V。如电阻R831为2W3.3Ω,则      

 

电流 I=V/R=288/3300≈0.087A,

 

功率 P=VI=288×0.087≈25W

 

电阻R831为64KΩ,

 

则 I=V/R=288/64000≈0.0045A,

 

P=VI=288×0.0045≈1.3W。

 

显而易见,电阻R831应为2W64kΩ。确定了R831的数据,思路理顺了,考虑到此机开关电源电路在启动瞬间的连锁反应快,且互相牵制,用表测电位难以实施,就采取分段试机。即先将 N801③脚过流信号断开,拆开③脚外接的R819,目的是检验开关管Q801启动时是否过流。通电试之,开关电源还是不启动。于是恢复R819,再断开⑥脚外接的R813,以检测误差取样电压是否正常。当一送电,开关电源被启动,+B端所接灯泡点亮,量其+B电压正好115Y,说明电压正常,未过压。这一试验证明TEA2261的电压取样参数不适,为什么会引起参数不适?由于此次雷击损坏元件多,更换后参数随之变动,因此必须调整。故将一只10kΩ电位器替代R813,通电调试,调到3.6kΩ,经反复试机,已正常工作。最后R813用2.2KΩ改为3.6k,检修调试结束。

 

综上所述,检修TEA2261开关电源,调整工作不能忽视,不像其他机型的开关电源,只要找到所坏元件,换之即可。这就是机心不同,检修亦不同。

共有1条家电 页次:1/1 分页: 9 1 :
发布人:----- 】·【推荐好友】·【打印】·【顶部
相关家电
[显象管型] ·长虹25N18彩电雷击后三无 2013-03-12
相关评论
   系统暂时关闭评论功能!
最新家电
 长虹液晶电视数据查找...
 GBJ25005 GBJ2501 GB...
 U盘刷机的准备U盘和基...
 AOZ1037的引脚功能
 AOZ3015AI的引脚功能
 刷你的数据灯都不亮了...
热门家电
 AOZ3015AI的引脚功能
 TCL超级芯片8859CSNG...
 海信变频压缩机UVW三...
 JT1199,CH341编程...
 松下NN-K652电脑...
 松下电饭煲显示U15
推荐家电
文章搜索
关键字:
网站声明 | 网站留言 | 友情链接 | 与我在线
Copyright ? 数据之家 All Rights Reserved.2002-2099
邮:2843417081@qq.com