游客,您好
注册 登陆 退出 登录帮助 用户中心 搜索 康佳电视串号检测 备用网址 关于 加入收藏
家电 电脑 平板 游戏 数据 软件 电玩 东芝 L G BOE 微鲸 夏普 风行 暴风 麦龙 联通 金正 鼎科 论坛
虹星 三星 厦华 熊猫 联想 同方 韩电 乐视 拓步 CNC 看尚 小米 PPTV 杂牌 中韩 现代 惠科 理想 山水
[电视机] [影碟机] [音响功放] [冰箱空调] [汽车电路] [家用电器] [电器配件] [刷机教程]                    
家电 - 电器配件 - 集成电路 - 其它 - 浏览家电
NCP1653A 简洁的固定频率电流模式功率因素校正控制器
发布日期:2013-1-3 11:19:50 作者: 出处: 浏览:483 人次 【

一、简介
NCP1653A是一个设计于连续导通模式的功率因素校正激励电路的控制器,它运行于67或100KHz固定开关频率的随动激励或恒定输出电压,随动激励有利于输出电压的降低,因此可以降低感应器或电源开关的尺寸和成本,DIP8或SO8封装,该电路最小化外部元件,最简化连续导通模式PCF的运行,它还集成了非常安全的保护电路,是一个紧凑耐用的PFC级激励器。
 
二、特点
l         顺应IEC1000-3-2
l         连续导通模式
l         平均电流模式或峰值电流模式运行
l         恒定输出电压或随动激励运行
l         极少的外部元件
l         67或100KHz固定开关频率
l         软起动性能
l         电源欠压延迟锁定
l         过压保护,欠压保护或关断
l         可编程过流保护
l         可编程过载限制
l         过热延迟关断
l         无铅封装
 
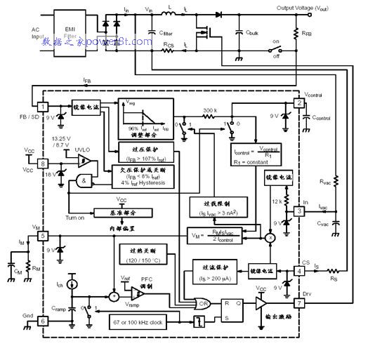
三、框图
2012-09-23_08-24-36.jpg
四、脚功能

引脚
名称
功能
类型
1
FB/SD
反馈或关断
 
2
Vcontrol
控制电压或软起动
 
3
In
输入电压感应
 
4
CS
输入电流感应
 
5
VM
倍增电压
 
6
GND
 
7
Drv
激励输出
 
8
Vcc
电源
 

共有1条家电 页次:1/1 分页: 9 1 :
发布人:admin 】·【推荐好友】·【打印】·【顶部
相关家电
[平板型] ·1653A贴片和NCP1653A一样的功能吗 2013-02-26
[N头] ·NCP1653APG引脚功能说明2013-02-01
[其它] ·NCP1653A 简洁的固定频率电流模式功率因素校正... 2013-01-03
相关评论
   系统暂时关闭评论功能!
最新家电
 长虹液晶电视数据查找...
 GBJ25005 GBJ2501 GB...
 U盘刷机的准备U盘和基...
 AOZ1037的引脚功能
 AOZ3015AI的引脚功能
 刷你的数据灯都不亮了...
热门家电
 AOZ3015AI的引脚功能
 TCL超级芯片8859CSNG...
 海信变频压缩机UVW三...
 JT1199,CH341编程...
 松下NN-K652电脑...
 松下电饭煲显示U15
推荐家电
文章搜索
关键字:
网站声明 | 网站留言 | 友情链接 | 与我在线
Copyright ? 数据之家 All Rights Reserved.2002-2099
邮:2843417081@qq.com